# 支架
支架主要用于连接轴、同步带轮、从动轮等结构的支撑或连接点。也可作为辅助件配合单孔梁、双孔梁和方形梁搭建系统框架。它采用高精度6061铝合金制造,具备高强度和耐久性,设计兼容大多数金属构建模块的机械部件和轮子,适用于创客项目中的结构搭建。
规格
- 表面处理:阳极氧化,红色
- 材质:铝合金6061/5052
型号表
| 规格 | 长度mm | 宽度mm | 高度mm | 外观图 | 尺寸图 | 购买链接 |
|---|---|---|---|---|---|---|
| P1支架 | 33 | 8 | 10 | ![]() | ||
| P3支架 | 33 | 24 | 10 | ![]() | 淘宝 | |
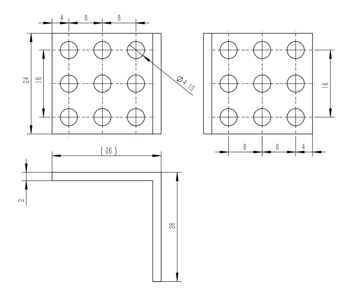
| 3x3-90D | 26 | 24 | 26 | ![]() | ![]() | 淘宝 |
| U1槽支架 | 28 | 24 | 26 | ![]() | 淘宝 | |
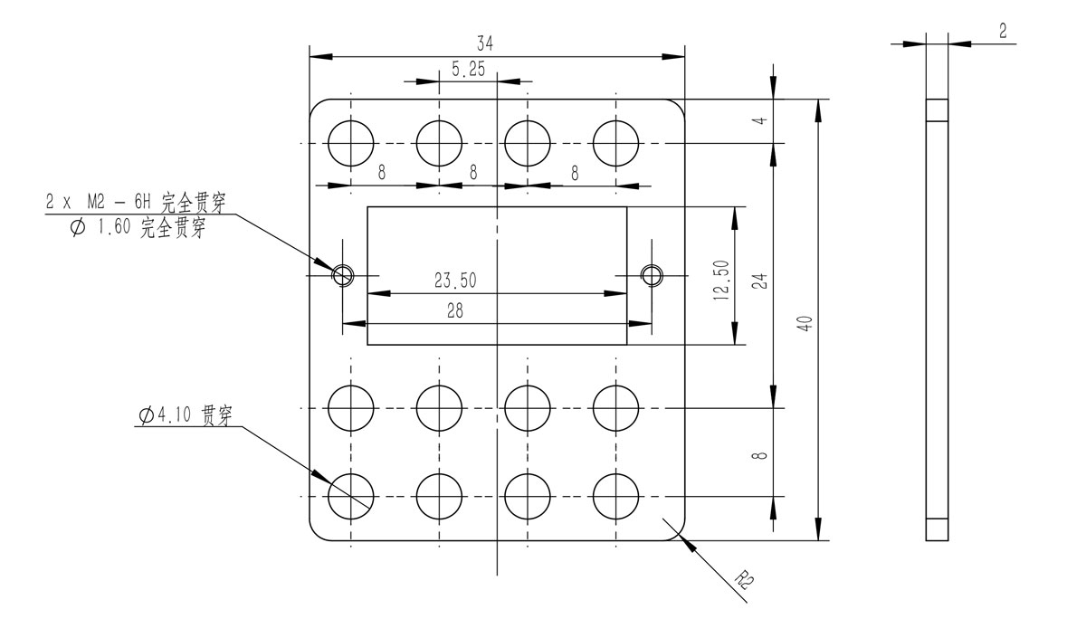
| SG90舵机支架 | 40 | 34 | 2 | ![]() | ![]() | 淘宝 |
| DC25电机支架 | 38 | 36 | 3 | ![]() | ![]() | 淘宝 |
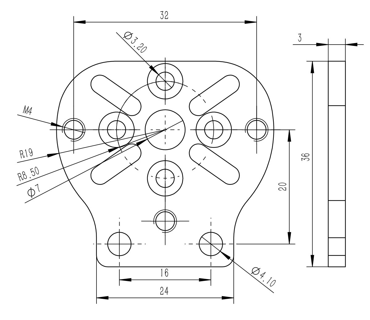
| TT马达支架 | 31 | 24 | 12 | ![]() | ![]() | 淘宝 |
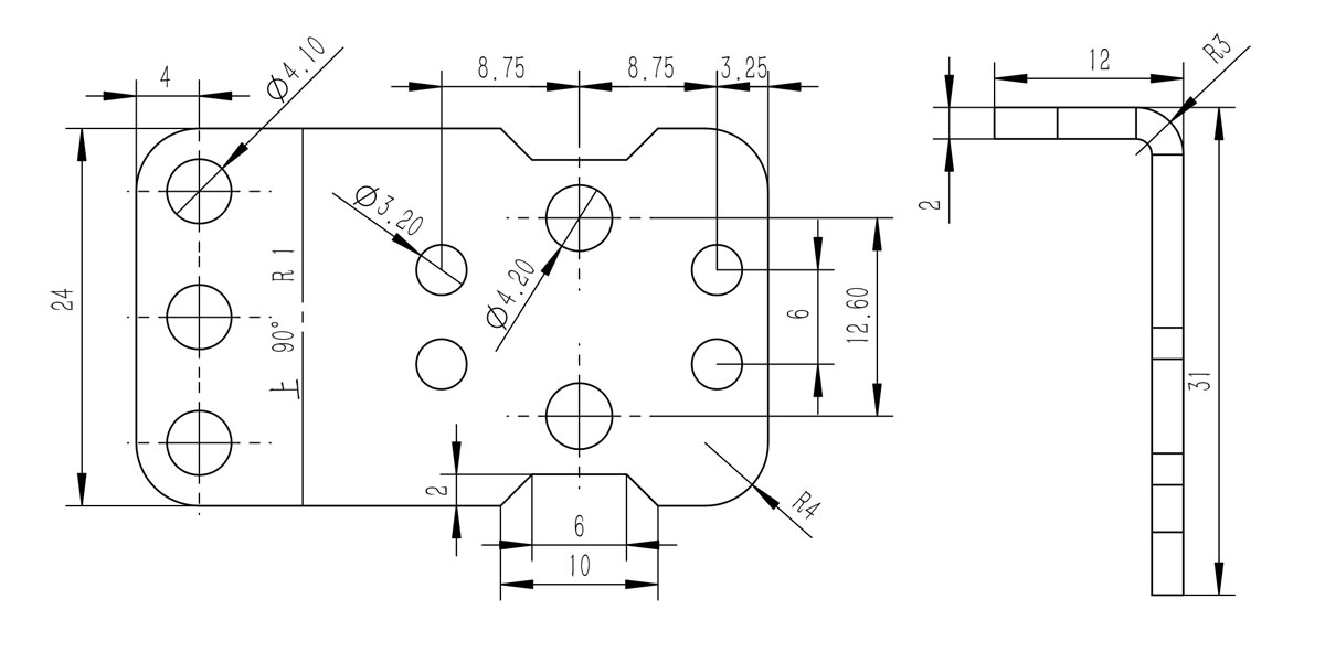
| 超声波支架 | 48 | 35 | 16 | ![]() | ![]() | 淘宝 |












